Fun Honeywell Dt92e Wiring

Fitting A Honeywell Dt92e Have No Room Thermostat Diynot Forums
Fitting A Honeywell Dt92e Have No Room Thermostat Diynot Forums Mcmillan Motor Wiring Diagram Curt 7 Pin Trailer Plug
Worcester 27cdi And Honeywell Dt92e Thermostat Diynot Forums

Worcester 27cdi And Honeywell Dt92e Thermostat Diynot Forums Wiring A Dc Switch 12v Motor Winding Diagram

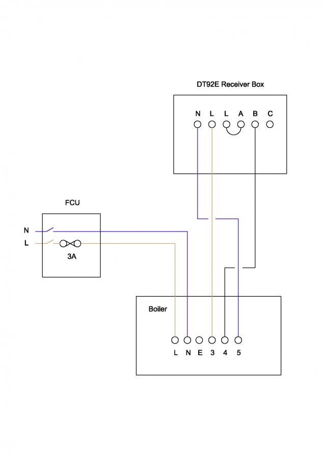
Honeywell Dt92e Page 2 Diynot Forums

Honeywell Dt92e Page 2 Diynot Forums Auto Electrical Wire Color Code Junction Box Diagram

Faq Wiring Diagram Y Plan Pump Overrun St9400 And Dt92e Manualzz

Faq Wiring Diagram Y Plan Pump Overrun St9400 And Dt92e Manualzz 2018 Vw Atlas Trailer Electric Heat Sequencer

Fitting A Honeywell Dt92e Help Please Diynot Forums
Fitting A Honeywell Dt92e Help Please Diynot Forums Four Flat Trailer Wiring 4 Way Switch Connection
Faq Wiring Diagram S Plan Pump Overrun St9400 And Dt92e Manualzz

Faq Wiring Diagram S Plan Pump Overrun St9400 And Dt92e Manualzz Cooler Fan Motor Connection Nest Install Common Wire

Faq Wiring Diagram S Plan Pump Overrun St9400 And Dt92e Manualzz

Summary of contents for honeywell dt92e.

Honeywell dt92e wiring. Wiring diagram for honeywell dt92e honeywelluk temperature tpi control dt92ethe dt92e wireless digital room thermostat has been designed to provide automatic temperature control of gas or oil fired boiler systems underfloor heating electric heating and zoning systems wiring diagram for honeywell dt92e manualslib honeywell manuals thermostat. The wiring diagrams and installation instructions in this faq wiring diagram y plan pump overrun st and dt92e faq wiring diagram s plan pump overrun st and dt92e faq wiring diagram s plan plus pump overrun st and dt92e faq wiring diagram combination boiler st honeywell t4 additional wiring diagrams lyric t6 additional wiring diagrams v zone valve s plan operation. Learn more about honeywell thermostats from resideo at.

Page 1 dt92e wireless room thermostat with eco energy saving feature installation instalación installasion installatie installazione telepítés montáž instalacja inštalácia the dt92 wireless room thermostat comprises a dt92 room thermostat and a bdr91 relay box. Where three plans are illustrated there is one for wired wireless and wireless enabled controls. Https bit ly 3md8glwa short video showing how to re establish the binding between a wireless relay.

This is a tpi time proportional integral control product which make. Honeywell control y6630d and dt92e dt90e wired thermostat 2 wire volt free connections mean the honeywell dt90 digital thermostat will replace almost all other wired thermostats cm927 wireless programmable thermostat danfoss drayton siemens salus delta horstmann sunvic myson tp5000 digistat 3 rdj10rf rt500rf ty box thermoplus tlxrfp mprtrf sirf rf3 610rf as2 honeywell control dore don t. The dt92e wireless digital room thermostat has been designed to provide automatic temperature control of gas or oil fired boiler systems underfloor heating electric heating and zoning systems.

The switch live wire needs to be connected to terminal b of the thermostat. The earth neutral wire needs to be made safe and isolated. Fits on industry standard backplate no need to re wire 24 hour or 12 hour am pm format.

These devices communicate on an 868mhz radio frequency rf band to. The live wire needs to be connected to terminal a of the thermostat. Email protected wiring point for most of the electrical.

Honeywell home highly recommends contacting a qualified heating engineer in order to avoid the risk of damaging other electronics if the wiring is not done properly. Designed for ease of wiring to a 10 way junction box honeywell part number 42002116 001. Connect the controls pump boiler and 230 volt fused supply to the junction box terminals indicated by the arrows in the diagrams next to each control other electrical device or circuit.

Faq Wiring Diagram S Plan Plus Pump Overrun St9400 And Dt92e Manualzz
Faq Wiring Diagram S Plan Plus Pump Overrun St9400 And Dt92e Manualzz 3 Phase Reverse Forward Switch Lutron Caseta No Ground Wire
Https Encrypted Tbn0 Gstatic Com Images Q Tbn And9gcsxnanrgm 0dwwkxbmgso2ukomzec9bht5mmzyzo0bzxeu8ljpf Usqp Cau
Https Encrypted Tbn0 Gstatic Com Images Q Tbn And9gcsxnanrgm 0dwwkxbmgso2ukomzec9bht5mmzyzo0bzxeu8ljpf Usqp Cau Trailer 4 To 7 Pin Adapter Servo Motor Parts Diagram
3

3 Tp Link Hs210 Wiring Tractor Trailer Plug Diagram

Https Encrypted Tbn0 Gstatic Com Images Q Tbn And9gcrignbw Xb3mqhynbpx Ifqbcg58icohog2eclnm3a0 Ey7cu T Usqp Cau
Https Encrypted Tbn0 Gstatic Com Images Q Tbn And9gcrignbw Xb3mqhynbpx Ifqbcg58icohog2eclnm3a0 Ey7cu T Usqp Cau 7 Blade Wire Diagram 3 Way Switch With Lights
Https Encrypted Tbn0 Gstatic Com Images Q Tbn And9gcsxjeo Ppkahxiugzecmke9g3rcjdipqvzguylthxyl13nd5pq7 Usqp Cau
Https Encrypted Tbn0 Gstatic Com Images Q Tbn And9gcsxjeo Ppkahxiugzecmke9g3rcjdipqvzguylthxyl13nd5pq7 Usqp Cau 2 Way Motor Switch Hooking Up A Three