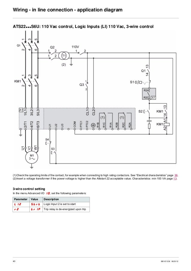
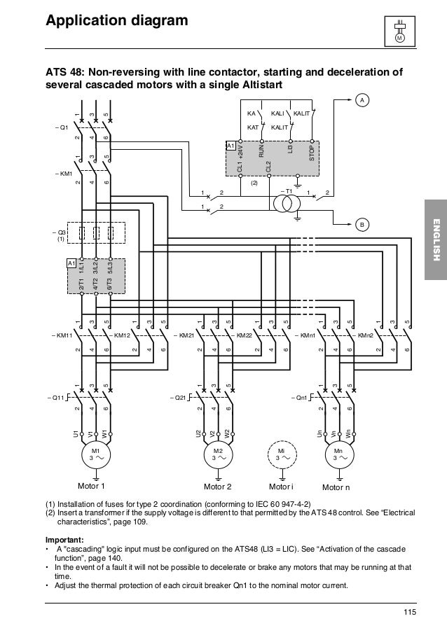
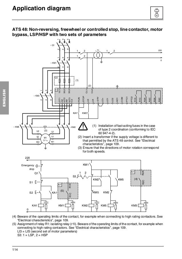
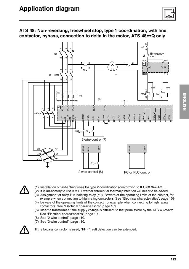
Wonderful Altistart 48 Wiring Diagram

For the exact wiring refer to the wiring diagram shipped with the enclosed unit.
Altistart 48 wiring diagram. Standard features the. 1 delivery of the altistart 48 check that the starter reference printed on the label is the same as that on the delivery note corresponding to the purchase order. Class 8638 and class 8639 altistart 48 enclosed soft start controllers are called enclosed 48 controllers.
Pages 4 to 7 dimensions. Pages 17 to 18 wiring diagrams. Ts stands for transient suppressors.
Without speed feedback the altistart 48 soft starter provides constant starting and stopping rates independent of motor loading just like a more expensive ac drive. Setting the new industry standard for soft starters the altistart 48. Pages 6 to 9 dimensions.
. Recommended component lists. Pages 18 to 19 wiring diagrams.
Altistart 48 y range soft start controllers s1a37491 altistart ats48 ats48 48 y range soft start controllers. Wire the soft starter to the ground. How do i perform altistart 48 basic programming.
A range of wiring accessories for connecting the starter to plcs via a modbus systems connection. In fla motor amps acc acceleration dec deceleration. Tutorial for operating altistart ats48 soft starter with a very small current load or no motor attached for the purposes of testing and troubleshooting by se.